가장 안전하게, 가장 완벽하게,
모든것을 담아냅니다.
가장 안전하게, 가장 완벽하게,
모든것을 담아냅니다.
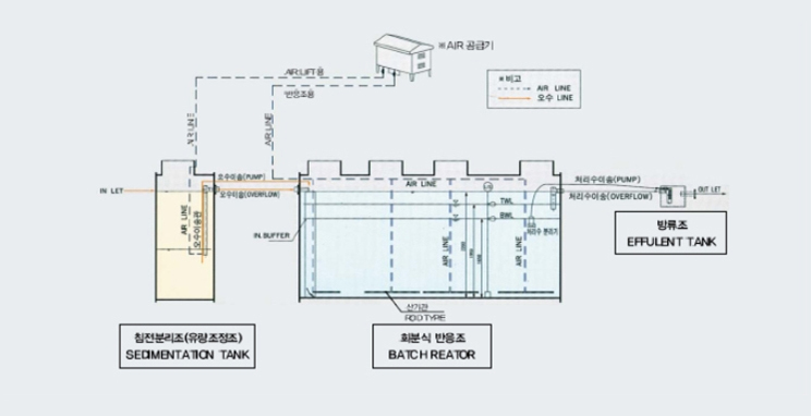
개인하수처리시설
제34조(개인하수처리시설의 설치)
오수를 배출하는 건물·시설 등(이하 "건물등"이라 한다)을 설치하는 자는 단독 또는 공동으로 개인하수처리시설을 설치하여야 한다.
제1항의 규정에 따라 개인하수처리시설을 설치하고자 하는 자는 대통령령이 정하는 기준에 적합하게 설치하여야 한다.
제76조(벌칙)
다음 각 호의 어느 하나에 해당하는 자는 2년 이하의 징역 또는 2천만원 이하의 벌금에 처한다.



중수처리시설
아래의 어느 하나에 해당하는 시설물을 신축・증축・개축 또는 재축하거나 개발사업을 시행하려는 자는 환경부령으로 정하는 바에 따라 단독 또는 공동으로 물 사용량의 10퍼센트 이상을 재이용할 수 있도록 중수도를 설치 운영하여야 한다.
다만, 물 사용량의 10퍼센트 이상을 하 폐수처리수 재처리수로 공급받거나 빗물을 이용하는 자의 경우에는 그러하지 아니하다.
“중수도”란 개별 시설물이나 개발사업 등으로 조성되는 지역에서 발생하는 오수를 공공하수도로 배출하지 아니하고 재이용할 수 있도록 개별적 또는 지역적으로 처리하는 시설을 말한다.

좌우로 스크롤 해주세요
| 설치대상 시설물 | 면적 |
| 숙박업 또는 목욕장업에 사용되는 건물 | 건축연면적6만m2이상 |
| 공장 또는 발전시설 | 1일 폐수배출량1500m2이상 |
|
◦관광단지 개발사업 ◦도시개발사업 ◦산업단지 개발사업 ◦택지개발사업 |
면적기준 없음 |
|
- 대규모점포 - 화물의 운송,보관,하역 및 자동화,정보화를 위한 시설 - 여객자동차터미널,철도시설,공항시설,항만시설 등의 운수시설 - 공공 및 일반 업무시설 - 교정시설,갱생보호시설,소년원 및 소년분류심사원 등의 시설 - 방송국 및 전신전화국 |
건축연면적6만m2이상 |
| 그 밖에 물의 재이용을 위하여 특히 필요하다고 인정하여 지방자치단체의 조례로 정하는 시설물 | |
좌우로 스크롤 해주세요
| 위반행위 | 1차 | 2차 | 3차 |
| 법 제9조 제1항을 위반하여 중수도를 설치하지 않는 경우 | 250 | 350 | 500 |
| 법 제9조 제1항에 따른 중수도를 운영하지 않은 경우 | 150 | 200 | 300 |
| 법 제9조 제2항에 따른 시설 관리기준 등을 위반한 경우 | 150 | 200 | 300 |
| 법 제9조 제6항에 따른 중수도의 안전성 및 수질 등의 검사 결과를 통보하기 않거나 거짓으로 통보한 경우 | 500 | 200 | 300 |
| 법 제9제7항을 위반하여 중수도 설치 운영에 관한 이행명령을 따르지 않은 경우 | 500 | 700 | 1,000 |